Help I broke my Grizzly and need a part

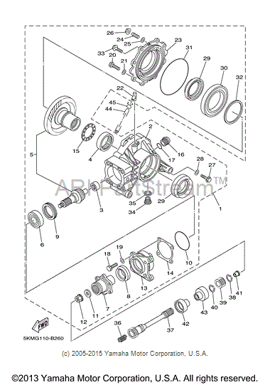
Doing maintenance of my Grizzly I made a bone head move and broke a part trying to remove a bearing.

I tried to order this part but its a back order deal. We all know it could be a long time before some back ordered parts ever come in.

I need part #13 bearing housing. Hopefully someone here can help me.

Thanks

Tony

Attached Thumbnails

Click image for larger version

Name:	grizzly diff.gif
Views:	N/A
Size:	24.4 KB
ID:	20169